*Esta imagen se proporciona exclusivamente con fines ilustrativos. Es importante tener en cuenta que, siendo una representación genérica, puede presentar diferencias en algunos acabados con el producto final que reciba.

3.0056

Soportes con rodamientos radial y axial

Esta serie de unidades de guía con rodamiento radial y axial presentan las siguientes características:

  • Diseño compacto que combina guiado radial y axial, optimizando el espacio de instalación.
  • Instalación rápida y sencilla, con ajuste simple y preciso.
  • Estas unidades se entregan con:
    • 1 Engrasador M6x1.
    • 1 Junta tórica.
    • 1 Chapa de ajuste axial adaptada, disponible en espesores de 0,5 mm o 1,00 mm, a elegir según necesidad.
  • Placa soporte fabricada en acero F-1 DIN RSt 37-2, EN 10025, S235 JRG2, acero no aleado de uso general.
  • Sistema de engrase que facilita el reengrase directo del rodamiento radial.
  • Requiere perfil estándar guía en U (serie 5.2) compatible para cada unidad.
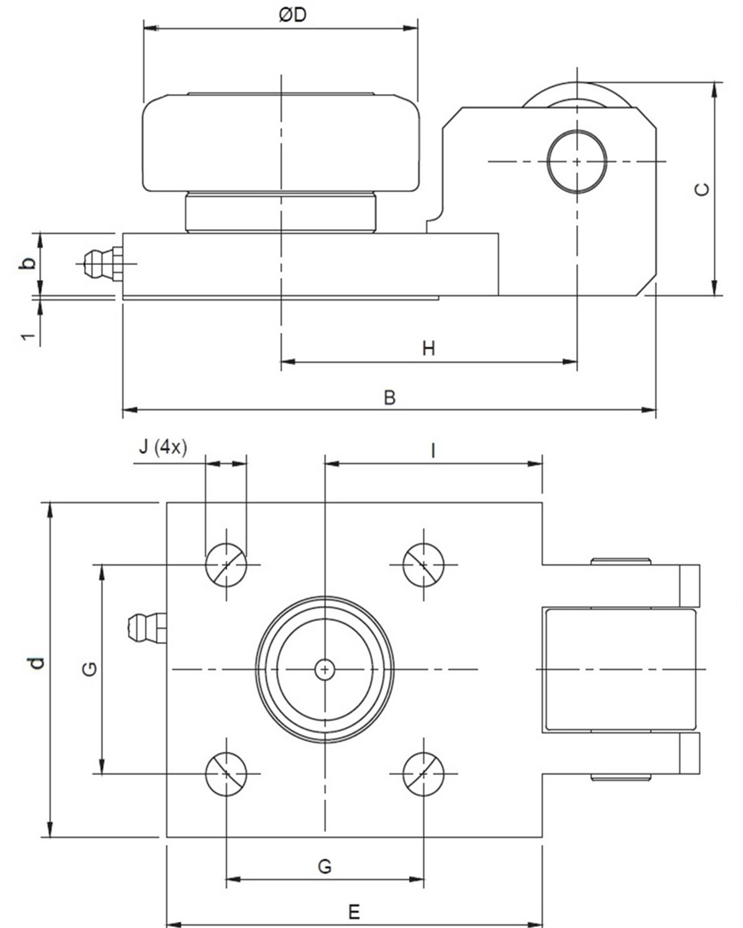
SÍMBOLOUNIDADMEDIDA
ØDmm78,10
dmm80,00
Bmm135,00
bmm15,00
Cmm52,00
Emm95,00
Gmm50,00
Hmm73,00
Imm55,00
Jmétrica/pasoM12
NORMA DIN ISO 281 / DIN ISO 76UNIDADRADIAL
C (Carga Dinámica kN)kN58,40
Co (Carga Estática kN)kN100,00
REF. PRECISIÓNRODAMIENTOPERFIL
3.0056 PR Ø81,809.2102 PR5.EC082L
MATERIAL

Soporte fabricado en acero F1+C (actualmente EN 1.0122 acero S235JR+C / S235JRC). Pertenece al grupo de aceros estructurales no aleados. Material calibrado por estirado en frío de barras laminadas en caliente calidad S235JR, aumentando su límite elástico y resistencia mecánica. Material apto para soldar.

El anillo exterior de los rodamientos está fabricado en acero 20CrMnTi cementado (para más información sobre el rodamiento radial clicar el siguiente enlace 9.2102)

SISTEMA DE LUBRICACIÓN 

El sistema de lubricación permite el reengrase de los RODAMIENTOS CER por una de las caras laterales de la placa para casos donde no se puede acceder al engrase posterior del propio rodamiento.

El sistema de engrase puede realizarse en el formato de placa cuadrada disponible, lo que permite una amplia gama de aplicaciones.

Agujero de engrase M6x1.

CHAPAS DE AJUSTE AXIAL DEL SOPORTE

Chapas de acero S-235 cortadas a laser. Permiten el reglaje axial entre el plano transversal de rodadura del perfil y el rodillo de guía axial del rodamiento combinado. Las chapas de ajuste se insertan entre la placa de fijación y la estructura.

Por lo general se utilizan en aquellos conjuntos donde los rodamientos carecen de un sistema propio de ajuste axial.

APLICACIONES MÁS FRECUENTES
  • Apiladores
  • Carros de desplazamiento horizontal y vertical
  • Elevadores
  • Estaciones de alimentación de paletizado y despaletizado
  • Pasarelas telescópicas
  • Remontadores

Productos Relacionados

Uso de cookies

Esta web utiliza "cookies" propias y de terceros para ofrecerte una mejor experiencia y servicio. Al navegar o utilizar nuestros servicios, aceptas el uso que hacemos de las "cookies". Sin embargo, puedes cambiar la configuración de "cookies" en cualquier momento.