*Esta imagen se proporciona exclusivamente con fines ilustrativos. Es importante tener en cuenta que, siendo una representación genérica, puede presentar diferencias en algunos acabados con el producto final que reciba.

JC 4.0061

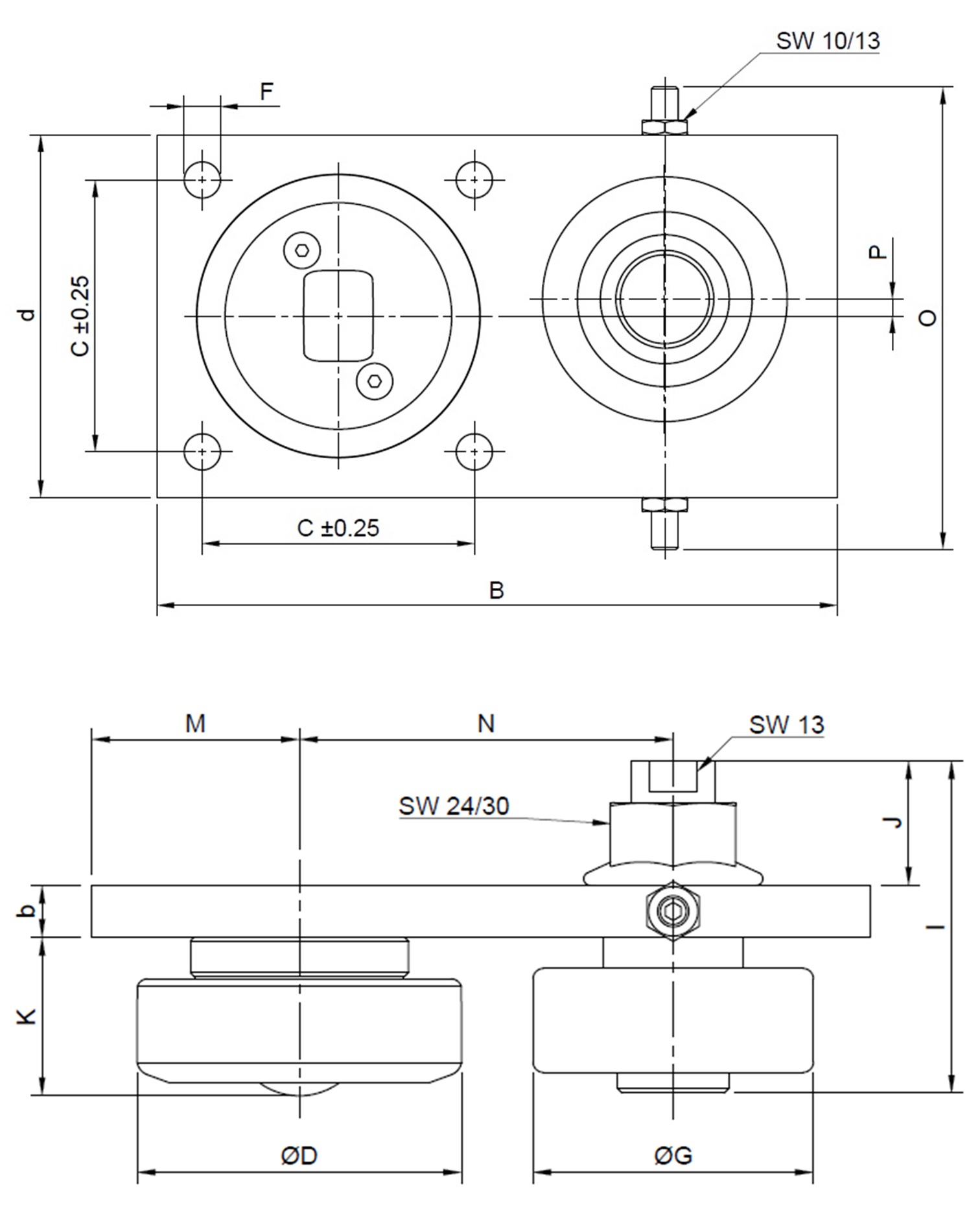
Soportes de rodamientos ajustables

Esta serie de unidades de guía presentan las siguientes características:

  • Permite la instalación rápida y precisa entre la estructura y el perfil guía mediante pernos y tornillos.
  • Facilita el ajuste bilateral del rodamiento de ajuste excéntrico para minimizar la holgura y optimizar el rendimiento del sistema.
  • Integra un rodamiento radial y un rodamiento combinado en un solo bloque, reduciendo el espacio de instalación requerido.
  • Tolerancias para dimensiones lineales y angulares de la placa de fijación según DIN ISO 2768-mk.
  • Posibilidad de suministro del conjunto completo con referencias estándar o personalizadas según los requisitos del cliente.
  • Disponibilidad de accesorios opcionales: chapas de ajuste para rodillo axial y rascadores para perfiles en U (serie 5.2).
SÍMBOLOUNIDADMEDIDA
ØDmm107,70
dmm120,00
Bmm240,00
bmm20,00
ØGmm101,60
Imm98,00
Cmm80,00
Jmm29,00
Kmm55,00
Mmm60,00
Nmm120,00
Omm150,00
Pmm±20,00
Fmétrica/pasoM16
NORMA DIN ISO 281 / DIN ISO 76UNIDADRADIAL
C (Carga Dinámica kN)kN81,00
Co (Carga Estática kN)kN95,00
MATERIAL

Soporte fabricado en acero F1+C (actualmente EN 1.0122 acero S235JR+C / S235JRC). Pertenece al grupo de aceros estructurales no aleados. Material calibrado por estirado en frío de barras laminadas en caliente calidad S235JR, aumentando su límite elástico y resistencia mecánica. Material apto para soldar.

El anillo exterior de los rodamientos está fabricado en acero 20CrMnTi cementado (para más información sobre el rodamiento combinado clicar el siguiente enlace 4.0061)

AJUSTE RADIAL

Esta característica permite regular con precisión la posición del rodamiento radial, de modo que se adapte a las condiciones específicas de cada aplicación. El ajuste se realiza mediante un mecanismo que, al desplazar el rodamiento radial, modifica el juego entre la pista exterior y la superficie de rodadura.

RASCADORES DE GUÍA (ACCESORIO OPCIONAL)

Los rascadores en poliamida son una excelente protección para los rodamientos y perfiles CER. Los rascadores han sido ajustados específicamente a las dimensiones de cada tipo de perfil CER con formato U (serie 5.2). El sistema de rascado puede evitar la entrada de partículas contaminantes solidas o pequeños elementos que pueden interceder entre el rodamiento y el camino de rodadura del perfil.

Los rascadores son elementos de fácil sustitución. Su sistema de fijación mediante tornillos a la placa hace que su montaje y ajuste sea rápido y sencillo.

APLICACIONES MÁS FRECUENTES
  • Apiladores
  • Carros de desplazamiento horizontal y vertical
  • Elevadores
  • Estaciones de alimentación de paletizado y despaletizado
  • Pasarelas telescópicas
  • Remontadores

 

Productos Relacionados

Uso de cookies

Esta web utiliza "cookies" propias y de terceros para ofrecerte una mejor experiencia y servicio. Al navegar o utilizar nuestros servicios, aceptas el uso que hacemos de las "cookies". Sin embargo, puedes cambiar la configuración de "cookies" en cualquier momento.